IconItaliano

Valvola 2/2 vie a comando elettrico, ad azione diretta, 24V DC

Numero dell'articolo: SVDO21824

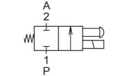
Pneuparts_Elektrisch valvole azionate 2/2Valvola 2/2 azionata elettricamente (azionata direttamente)

Valvola 2/2 vie a comando elettrico, ad azione diretta, 24V DC

Numero dell'articolo: SVDO21824

Documenti per Valvola 2/2 vie a comando elettrico, ad azione diretta, 24V DC

icon2/2-way electrically operated solenoid valves, direct acting.pdf
icon3D-CAD-file SVDO21824
Disponibile direttamente

Escl IVA Incl IVA

Documenti per Valvola 2/2 vie a comando elettrico, ad azione diretta, 24V DC

icon2/2-way electrically operated solenoid valves, direct acting.pdf
icon3D-CAD-file SVDO21824

Accessori di montaggio adatti per questa serie:
Accessori di montaggio valvole Pneuparts azionate elettricamente

 

Funzione:
Valvola elettrica 2/2 vie
Ad azionamento diretto

 

Orifizio effettivo:
0,8 mm²

 

Pressione di esercizio:
0 ~ 0,7 MPa

 

Temperatura di esercizio:
-5 °C a +60 °C

 

Portata:
44 l/min

 

Tempo di risposta:
20 ms

 

Consumo di potenza:
CC = 2 W, CA = 4,8/4,4 VA, 6/4,9 VA

 

Tensione:
24 V CC, 110 V CA, 220 V CA

 

Tolleranza di tensione:
±10 %

 

Fluido:
Aria compressa

 

Clicca qui per maggiori informazioni sulle valvole pneumatiche

Tutte le attività sono intese come condizioni target non vincolanti! Non siamo responsabili per la selezione dei dati che non è confermata per iscritto. Avere dati di stampa nella misura in cui non sono indicati altrimenti, relativi ai liquidi del gruppo II a +20 C

Dati tecnici

Filettatura

G 1/8"

Tensione

24V DC

Pressione di esercizio

0-7 bar

Portata

44 litri al minuto

Peso G / pezzo
Codice delle merci84812090
HafnerFHTcmaticVacuproVan deurne