IconItaliano

Pneuparts - valvole manuali compatte 2/2

Maggiori informazioni

Pneuparts - valvole manuali compatte 2/2

Pneuparts - valvole manuali compatte 2/2

Maggiori informazioni

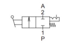
Valvalla a mano compattaValvola a mano compatta 2T
Filtri

Versione

Solo pazienza, per favore la pagina viene caricata.

Even geduld a.u.b. uw gegevens worden opgehaald.

Loading

Tutte le attività sono intese come condizioni target non vincolanti! Non siamo responsabili per la selezione dei dati che non è confermata per iscritto. Avere dati di stampa nella misura in cui non sono indicati altrimenti, relativi ai liquidi del gruppo II a +20 C

HafnerFHTcmaticVacuproVan deurne