IconEspañol

Pneuparts - válvulas manuales compactas 2/2

Más información

Pneuparts - válvulas manuales compactas 2/2

Pneuparts - válvulas manuales compactas 2/2

Más información

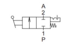
Válvula de mano compactaVálvula de mano compacta 2T
Filtros

Versión

Solo paciencia, por favor la página está cargada.

Even geduld a.u.b. uw gegevens worden opgehaald.

Loading

¡Todas las tareas se pretenden como condiciones objetivo no vinculantes! No somos responsables de la selección de datos que no se confirma por escrito. Tener datos de impresión en la medida en que no se indica de lo contrario, relacionados con los líquidos del grupo II a +20 c

HafnerFHTcmaticVacuproVan deurne