IconEspañol

Geberit Mapress - válvula de bola

Más información

Geberit Mapress - válvula de bola

Material:
Acero C

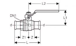
Diámetro (D) mm:

De 15 a 54 mm

Longitud (L) mm:
78 a 157


Propósitos de uso:

  • Calentar agua
  • Agua de refrigeración con/sin anticongelante
  • Agua hasta 120C
  • Aire comprimido (clase de purificación aceite 0-3)
  • Gas inerte

Características:

  • Indicador de prensa
  • No presionado, no cerrado
  • Galvanizado externamente
  • Anillo de sellado de CIIR negro
  • Manguito prensador con tope protector transparente

Más información

Geberit Mapress - kogelkraan.jpgVálvula de bola Mapress-staal_Tekening
Filtros

Diámetro ø (D) (mm)

Diámetro nominal (DN) (mm)

Largo (L) (mm)

Longitud (mm)

Longitud (L2) (mm)

Z

Z1 (cm)

Solo paciencia, por favor la página está cargada.

Even geduld a.u.b. uw gegevens worden opgehaald.

Loading

¡Todas las tareas se pretenden como condiciones objetivo no vinculantes! No somos responsables de la selección de datos que no se confirma por escrito. Tener datos de impresión en la medida en que no se indica de lo contrario, relacionados con los líquidos del grupo II a +20 c

HafnerFHTcmaticVacuproVan deurne