IconPortuguês

Geberit Mapress - Válvula de esfera

Mais informações

Geberit Mapress - Válvula de esfera

Material:
Aço C

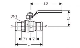
Diâmetro (D) mm:

15 a 54 mm

Comprimento (L) mm:
78 até 157


Finalidades de uso:

  • Aquecimento de água
  • Água de resfriamento com/sem anticongelante
  • Água até 120C
  • Ar comprimido (óleo de classe de purificação 0-3)
  • Gás inerte

Caraterísticas:

  • Indicador de pressão
  • Não pressionado, não fechado
  • Galvanizado externamente
  • Anel de vedação feito de CIIR preto
  • Manga de pressão com rolha de proteção transparente

Mais informações

Geberit Mapress - kogelkraan.jpgVálvula de esfera Mapress-staal_Tekening
Filtros

Diâmetro ø (D) (mm)

Diâmetro nominal (DN) (mm)

Comprimento (L) (mm)

Comprimento (mm)

Comprimento (L2) (mm)

Z

Z1 (cm)

Apenas paciência, por favor, a página está carregada.

Even geduld a.u.b. uw gegevens worden opgehaald.

Loading

Todas as tarefas são destinadas a condições de destino não vinculativas! Não somos responsáveis ​​pela seleção de dados que não é confirmada por escrito. Tenha dados de impressão na medida em que não são declarados, relacionados a líquidos do Grupo II a +20 c

HafnerFHTcmaticVacuproVan deurne